Clipsal - Smoke Alarms Smoke Alarm Surface Mounting Base 220-240V a.c. Mains Power, Remote Test/Hush Function
Item Number: 755RB
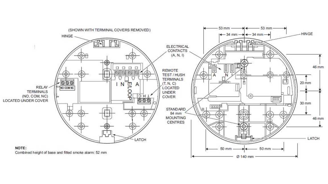
755RB helps to integrate Clipsal smoke alarms with devices like lights & sirens. This functionality is offered through a changeover, voltage free contact and remote test/hush through momentary pushbuttons. Relay can be configured to operate only when the local alarm is activated or when any connected alarm activates.
Datasheet
Specifications
Design
Product brand
Physical
Mercury free
Rohs exemption information
Environmental disclosure
Eu rohs directive
Reach regulation
China rohs regulation
Others
Legacy weee scope
Package 1 bare product quantity
Average percentage of recycled plastic content
Weee label
Weee applicability
Unit type of package 1
Number of units in package 1
Package 1 height
Package 1 width
Package 1 length
Package 1 weight
Total lifecycle carbon footprint
Carbon footprint of the manufacturing phase [a1 to a3]
Carbon footprint of the manufacturing phase [a1 to a3]
Carbon footprint of the distribution phase [a4]
Carbon footprint of the distribution phase [a4]
Carbon footprint of the installation phase [a5]
Carbon footprint of the installation phase [a5]
Sustainable packaging
Carbon footprint of the end-of-life phase [c1 to c4]
Carbon footprint of the end-of-life phase [c1 to c4]
Take-back
Product contributes to saved and avoided emissions
Removable battery
Total lifecycle carbon footprint
Average percentage of recycled metal content
Packaging made with recycled cardboard
Packaging without single use plastic
End of life manual availability
Take-back
Warranty (in months)
Documents & downloads
hide show-
All
-
Product Brochures
-
Other technical guide
-
Installation Instruction
-
End of Life Manual
-
Environmental Disclosure
-
Certificates (MSDS)
-
Declaration of Conformity (Sustainability)
Frequently Asked Questions
Can I use the 755RB base with the 755WSA Wiser Smoke alarm?
Hide ShowWhat is the warranty period for the 755 series smoke alarms?
Hide Show
Range
Clipsal's Fire Tek range helps protect the most valuable assets; family, friends and the home.
They are backed by the SAI Global 5 ticks certification of quality, offering robust designs for reliability, ensuring early detection and warning from hazardous smoke and fire.
The Australian Building Code mandates all new homes must have AS3786:2014 compliant smoke alarms installed, interconnected and hard wired to mains power.
By having Fire Tek's smoke alarms installed, you will have the best chance of escaping the devastating effects of a house fire